《电工原理》主要讲授电路和电磁现象的基本理论及分析方法,是中等职业学校电子专业学生必修的一门专业基础课程。但是,由于这门课程专业性较强、教学内容枯燥乏味、学习难度大等特点,加上中等职业技术学校的学生大多文化基础薄弱、思维狭窄、对学习缺乏信心,容易出现教师教学难、学生学习难的问题,从而影响了本课程教学根本任务的顺利实现。因此,如何采取有效手段从根本上解决本专业课程教学中的问题,值得我们深思。笔者认为,中等职业学校电工原理课程教学过程中要解决这两个问题必须遵循直观性原则。
直观性原则,是指在教学中通过学生观察所学事物,或教师语言的形象描述,引导学生形成对所学事物、过程的清晰表象,丰富他们的感性知识,从而使他们能够正确理解书本知识,发展认识能力。在教学中实现直观性原则的方法和手段很多,比如:实物直观,语言直观,学生实验,借助计算机多媒体技术的课件、动画、模拟实验等。在教学中教师要针对不同的课程内容和学生情况,选择不同的方法和手段,因材施教,定能做到事半功倍。对于一些简单、具体,不需要过多理论推导的,又有条件进行实验的章节和知识点,可以直接采用实物直观法和学生实验进行教学,比如第一章电路的基本知识和第二章直流电路等。而对于书中一些比较抽象的,较难理解或者无条件做实验讲解的章节和知识点,可以借助计算机多媒体技术,制作课件、动画,或者使用一些专业仿真软件进行模拟实验等,简化理论推导,变抽象为具体,提高教学的趣味性,同时也能激发学生的学习兴趣。比如第三章电磁基本定律和第四章电容器和电感器等。那么在实际的教学中,如何针对教学内容落实这些方法和手段呢?笔者认为可以从以下几方面实施。
一、在条件允许的情况下,加强实验教学,实现“学中做,做中学”
中等职业学校的学生分析、判断、推理、想象等抽象思维能力较差,如果每一堂课、每一个知识点都用讲授法进行教学,不论教师的语言多么准确,推理多么严密,都容易产生台上津津有味、台下昏昏欲睡的后果。然而学生对实验是很感兴趣的,不论是演示实验还是学生实验,都能使学生产生强烈的好奇心和求知欲。在《电工原理》课程中复杂电路的分析计算有多种方法,其中节点电流法是最常用的一种求法。对这类题目的正确处理,对学生而言又是一个难点。如果用理论推导,学生很难理解,而且不能引起兴趣。如何更好地让学生清楚处理这类题的途径和方法呢?可以结合基尔霍夫定律的实验进行分析。
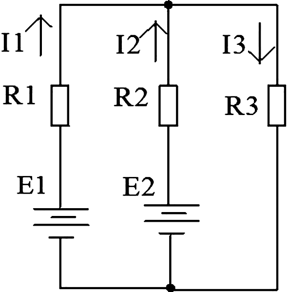
以教材中的电路图为例,让学生做一次探索性的实验,自己得出结论,掌握节点电流定律。
教学时对原电路图稍加改动,即在原电路图各支路中分别都连接安培表。实验前,可组织学生相互讨论,并通过具体问题来进一步启发引导学生,让学生明确:为了检测电路中某支路的电流的大小,最直接的做法是什么?流入安培表的电流方向不同,指针的偏转方向也不同,如何判断电流方向与指针偏转方向之间的关系?
讨论完毕后,开始做实验,按图接线,选择不同的电源组合,进行实验,并完成实验报告。让学生用表达式表示出各支路电流之间的关系,即∑I入=∑I出。这样处理,学生就更容易掌握基尔霍夫第一定律的内容。
当然,这仅仅是各支路中电流之间的关系,当这一步完成之后,可进一步引导学生:就此电路而言,各支路两端电压应存在什么关系?通过万用表中的读数,可以计算一下各支路两端的电压是否存在这种关系?同时注意在具体计算时应弄清各支路中电流的流向。根据计算,你能得出什么结论?若用表达式来表示,应是怎样?让学生经过思考,从中找出规律性的东西,然后再上升到理论知识,使学生在不断地提问——思考—— 实践(直观)——总结中充分发挥各自的自主性、参与性和独立思考能力,从而培养和提高学生分析问题和解决问题的能力,以及信息处理能力。
二、合理运用多媒体技术进行教学,尤其是电路仿真软件的应用
计算机多媒体技术通过文字、图形、图像、动画、音频和交互式网络等方式,可使教学过程图文并茂、生动活泼,知识面更广。学生在这些动感学习环境中,对教学内容更容易领会和掌握,可以大大加快学习进度,提高学习效率。更为重要的是,由于教学进度加快,为学生在无形中增加了学习时间。现在,网上可用于电工原理教学的图片、动画、视频、课件等资料相当丰富,只要有一台笔记本电脑,向学生演示就相当方


