课堂教学是教师教学与学生学习的主要阵地。不同的教学方法对提高课堂教学效率有着不尽相同的作用。项目教学法是采用解决问题的形式,引导学生在不同的学习背景中去发现问题,确定问题解决的策略,探索并解决问题的一种方法。项目教学法有利于提高教学过程的时效性,对学习目标、体验、应用和有关重要概念进行检验论证和交流,将方法、手段、原理以及各种知识技术进行综合运用,对学生学会知识、技术具有举一反三、触类旁通的作用,同时运用有关理论知识和技术分析及解决实际问题,让学生学会交流与合作,学会表达或展示研究,客观上也促进了电工课堂的教学效率。
项目教学法与传统教学相较,传统课程有教育部颁发的统一的教材和教育教学大纲,有一整套较为成熟的实施理念、管理措施和评价方式;而项目教学法除难以寻找理论方法以外,其选题内容还是一块亟待开发和建设的处女地。项目教学法课题的学习大都采用解决问题的形式,引导学生经历不同的学习背景,有目的性地发现问题,从而确定问题求解的策略,实施解决问题的方法,检验理论的论证过程并交流自己所获得的知识或结论。项目教学法在特定课题学习的过程中,注重学习者的学习体验、方法提炼和概念应用;注重方法、手段、原理以及与各种知识技术间的综合运用,从而让学生学会举一反三,从多渠道获取知识技术。简言之,项目教学法不仅要求学生从书本中获取更多的间接技术知识,而且还要求学生广泛获取直接知识,加工处理直接知识和间接知识的关系,并学会与他人交流与合作,掌握整合电类有关理论知识和技术的能力,及时解决实际问题。
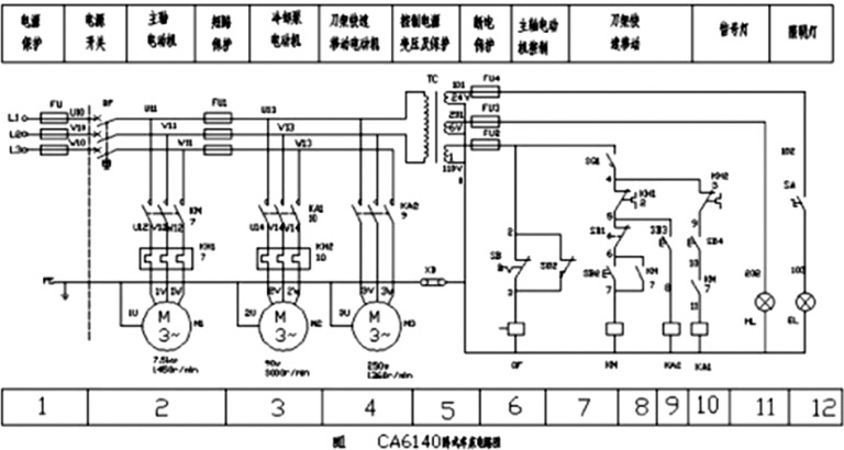
中职学校电工课堂教学研究的重点之一就是探索项目教学法理论与实践如何有机结合,以实现理论与实践一体化的教学理念。电工教学中CA6140型车床是当前职业学校机械、机电专业应用较多的实习设备,也是当下工厂应用十分广泛的机械加工设备。因此熟悉电气控制线路图,掌握线路的设计、连接和工作原理,会进行线路的故障判断、检测和维修是中等职业学校机电、电气专业学生必备的基本功,也是日后学生自学和可持续发展所必备的基础。
一、循序渐进感知,细化教学过程
首先,引导学生了解并逐渐熟悉CA6140型车床电气控制线路原理图。“工欲善其事,必先利其器。”理论教学在多媒体教室里进行,学生先进行电路图的自学和研究,再结合实习室中车床内部真实线路进行验证,知道理论和实践的差别,再通过教师的教学活动安排,让学生将掌握的理论知识一步步融入实践中。然后通过学生实际观测的机床内部线路和电路图相互印证,以达到理论指导实践,又通过实践印证理论的目的。在操作前,教师应协助每位学生自行制作车床的实际线路图,指导学生制定工作任务书。结合学生自行实践的基础,教师可借助多媒体技术展示电路图和车床内部实际接线图,这样,既调动了学生学习车床电气控制线路原理的积极性,又在师生交流的实习过程中再次攻克新的疑难问题。


